سحب ميزات الختم البلاستيكي الآمن PP
- التطبيقات عبر القطاعات المتنوعة: لتلبية احتياجات الصناعات المتنوعة، تجد منتجاتنا فائدة في شركات الطيران والبضائع والمقطورات والناقلات والشحن بالسكك الحديدية والمصافي والحاويات وحقائب البريد والخزائن والبنوك والنقد العابر.
- التميز المادي: صُنعت موادنا بدقة باستخدام مادة البولي بروبيلين (PP)، وهي مرادفة للمتانة والموثوقية، مما يضمن أداءً ثابتًا في التطبيقات المتنوعة.
- اختيار الألوان النابضة بالحياة: اختر من بين مجموعة من ظلال الباستيل، بما في ذلك الوردي والأزرق والأخضر والأصفر والخوخي والأسود والأبيض الكلاسيكي. ويمكن استيعاب ألوان إضافية عند الطلب، مما يوفر لمسة شخصية.
- دقة العلامات: تتميز منتجاتنا بعلامة ليزر مباشرة بترقيم متتابع كمعيار قياسي، وتوفر خيار تضمين اسم العميل أو الشعار الخاص بك، مما يضيف عنصرًا مميزًا إلى ميزات الأمان الخاصة بك.
- بنية أمنية مبتكرة: يعمل الغلاف المصمم بشكل فريد، والذي يتميز بالفولاذ الزنبركي المقاوم للصدأ، على تعزيز مستويات الأمان ويمنع التلاعب بشكل فعال، مما يوفر حماية قوية.
مزايا المنتج
يتضمن هذا المنتج الحصري، المشهور بتصميمه الفريد، أحدث إجراءات مكافحة التزييف، مما ينشئ دفاعًا قويًا ضد التلاعب بالأجهزة الإلكترونية. إن تعقيد إطار العمل الخاص به لا يعزز الأمان فحسب، بل يشكل أيضًا تحديًا هائلاً للأدوات غير المصرح بها.
تخصيص
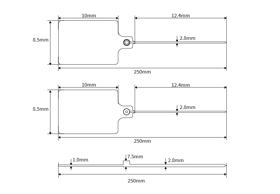
| نموذج رقم: | جيه بي 067-2 |
| طول | 250 ملم |
| عرض | 2.8 ملم |
| قوة الشد | 30 كجم |
| التعبئة | 100 قطعة/الحقيبة ، 5000 قطعة/كرتون أو حسب الطلب |
| حجم التعبئة | 66 سم * 53 سم * 27 سم أو حسب الطلب |
التعبئة
1. 100 قطعة لكل كيس و 100*50 صندوق لكل كرتونة ، حسب الطلب المخصص
2. مواصفات الكرتون: 66 سم * 53 سم * 27 سم
انغمس في التنوع الذي توفره أختامنا البلاستيكية، المقدمة في أكياس تحتوي كل منها على 100 وحدة. قم بزيادة طلبك لتلبية الاحتياجات الأكبر باستخدام صناديق كرتونية تحتوي على 5000 ختم، أو قم بتخصيصها حسب رغبتك. اجعل العبوة فريدة لك من خلال إضافة علامة مميزة أو سؤال مدروس.
كيف شحد ذاته
ضع المحتويات المفضلة في الكيس أو الحاوية. أدخل الطرف المفتوح للكيس أو الحاوية وسط فكي الختم لآلة الختم الحراري للأكياس البلاستيكية التي يتم تشغيلها يدويًا. قم بتنشيط عنصر التسخين بالضغط على شريط الختم ودمج المكونات البلاستيكية. قم بتحرير شريط الختم واستخرج الكيس أو الحاوية المختومة من الجهاز. إذا لم تكن آلة الختم متوفرة، فاختر إغلاق الكيس البلاستيكي باللهب.
لاحظ هذه العملية التفصيلية:
أولاً، قم بملء الحقيبة بالمحتويات التي تريد إرفاقها. أمسك الطرف المفتوح للكيس فوق اللهب، مثل الولاعة أو الشمعة. حرك الكيس ذهابًا وإيابًا فوق اللهب حتى يمتزج البلاستيك ويغلق بشكل فعال.













